产品描述
SHH-B 高速糊盒机
产品说明:
SHH-B系列高速全自动糊盒机除具有SHH系列全部功能外,使用进口电器、及配件,针对出口,能使盒子先被预压,能更好的粘贴,使用范围广,还具有造型美观、速度快、调节灵活方便、门幅宽等特点。小到药盒,大到酒盒都可以糊制,小盒每小时糊制3.5万个以上。广泛应用于药盒、化妆品盒、牙膏盒、酒盒、食品盒、礼品盒等轻工产品的包装盒;
样盒
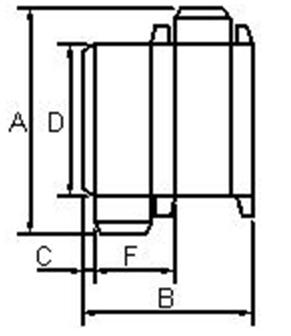
主要技术参数:
SHH-600B
| 纸盒类型 | A最大 | A最小 | B最大 | B最小 | C最小 | D最小 | F最小 |
| 尺寸 | 700mm | 70mm | 600mm | 110mm | 8mm | 70mm | 51mm |
SHH-800B
| 纸盒类型 | A最大 | A最小 | B最大 | B最小 | C最小 | D最小 | F最小 |
| 尺寸 | 700mm | 70mm | 800mm | 110mm | 8mm | 70mm | 51mm |
技术特点
| 线 速 | 0~220m/min连续可调 |
| 适 用 纸 质 | 220~800g/m²卡纸 ,E浪瓦楞纸 |
| 糊 盒 基 本 形 式 | 一边粘贴、两边均可 |
| 给 纸 方 式 | 自动连续给纸 |
| 使 用 粘 合 剂 | 溶质型 |
| 所 需 电 力 | AC380V、7KW |
| 重 量 | 1800kg |
| 外 型 尺 寸 | 7000×850(1300)×1300mm |
| 计 数 范 围 | 0~999999个(全自动计数) |
中文
English
Vietnam
España
русский
Français
العربية






